尊龙

咨询热线:0379-80877123 400-966-9300
您目今的位置:首页 > 公司先容 > 资质认证

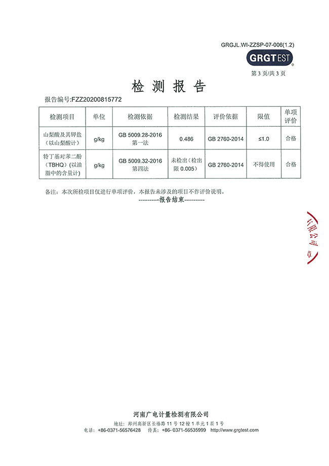
老式大辣片外检

宣布时间:2021-03-02作者:泉源:尊龙点击:4890

image.png



分享到:0 用手机看
#

拍下二维码 ,信息随身看

试试用微信扫一扫 ,
在你手机上继续寓目此页面。

0379-80877123

400-966-9300

二维码

【网站地图】【sitemap】